Texas Instruments DK-LM3S-DRV8312 Motor Control Kit for Stellaris® MCUs
Texas Instruments DK-LM3S-DRV8312 Motor Control Kit for Stellaris® MCUs

View Product List

Additional Resources

TI DK-LM3S-DRV8312 Motor Control Kit
for Stellaris® MCUs

Texas Instruments DK-LM3S-DRV8312 Motor Control Kit for Stellaris® Microcontrollers is a development platform for spinning 3-phase brushless DC and brushless AC motors. The TI DK-LM3S-DRV8312 Motor Control Kit contains a cost-effective Stellaris LM3S818 MCU-based controlCARD module compatible with other TI motor control platforms. In addition to instantly spinning a motor, TI DK-LM3S-DRV8312 Motor Control Kit also demonstrates the InstaSPN BLDC motor control solution's operational advantages with simplified tuning, immediate acceleration adaptation, reliable low-speed operation, and more. The included Crosshairs solution enables users to control and monitor the total solution through an easy-to-use PC application that can be extended for end applications.


Kit Contents
  • MDL-LM3S818CNCD controlCARD module
    • Stellaris 50-MHz ARM® Cortex®-M3 LM3S818 microcontroller with onboard Stellaris In-Circuit Debug Interface (ICDI)
    • Pluggable 100-pin DIMM form factor
    • Auto-isolation enabling upon debug connection
  • DRV8312 baseboard (TI-integrated 3P motor driver board supporting up to 52.5V and 6.5A)
  • NEMA17 BLDC/PMSM 55W motor
  • 24V 2.5A DC power adapter, 110-240V AC input, USA power cable
  • USB-miniB to USB-A plug cable (for debug and serial communication)
  • Kit CD:
    • Complete documentation
    • LM Flash programmer utility for firmware updates
    • Crosshairs GUI
    • Applicable source code
    • Schematics
  • TI Code Composer Studio™ Integrated Development Environment (IDE)

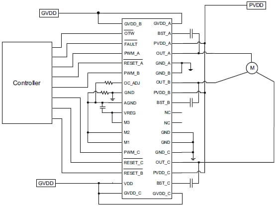
DRV8312 Application Diagram

DRV8312 Application Diagram

LM3S818 Block Diagram

LM3S818 Block Diagram
  • Texas Instruments
  • Industrial
  • Development Tools
Publicado: 2017-05-26 | Actualizado: 2017-05-26