Texas Instruments TPS650861 Configurable Multi-Rail PMICs

Texas Instruments TPS650861 Configurable Multi-Rail PMICs are designed for MPSoCs and FPGAs with programmable optimal output voltages and sequencing. The TPS650861 has three controllers that deliver flexible power capable of up to 30A, with large external FETs for high-power designs. The controllers are also able to scale down in both size and cost for smaller designs. The device provides system power for a wide variety of applications due to the combination of converters, LDOs, and switches. The use of small passives allows the D-CAP2™ and DCS-Control high-frequency voltage regulators to achieve a small solution size. Along with excellent transient response performance, the D-CAP2™ and DCS-Control topologies are ideal for processor core and system memory rails that have fast load switching.

Features

  • Two Banks of One-Time Programmable Memory for Programming Default Voltages and Sequence
  • Wide VIN Range From 5.6V to 21V
  • Three Variable-Output Voltage Synchronous
  • Step-Down Controllers With D-CAP2™ Topology
    • Scalable Output Current Using External FETs With Selectable Current Limit
    • I2C DVS Control From 0.41V to 1.67V in 10mV Steps or 1V to 3.575V in 25mV Steps or Fixed 5V Output
  • Three Variable-Output Voltage Synchronous Step-Down Converters With DCS-Control Topology
    • VIN Range From 3V to 5.5V
    • Up to 3A of Output Current
    • I2C DVS Control From 0.425V to 3.575V in 25mV Steps
  • Three LDO Regulators With Adjustable Output Voltage
    • LDOA1: I2C-Selectable Voltage From 1.35V to 3.3V for up to 200mA of Output Current
    • LDOA2 and LDOA3: I2C-Selectable Voltage From 0.7V to 1.5V for up to 600mA of Output Current Each
  • VTT LDO for DDR Memory termination
  • Three load switches with slew rate control
    • Up to 300mA of output current with voltage drop less Than 1.5% of nominal input voltage
    • RDSON <96mΩ at Input voltage of 1.8V
  • 5V Fixed-output voltage LDO (LDO5)
    • Power supply for gate drivers of SMPS and for LDOA1
    • Automatic switch to external 5V buck for higher efficiency
  • Built-in flexibility and configurability by OTP programming
    • Six GPI pins configurable to Enable (CTL1 to CTL6) or Sleep Mode Entry (CTL3 and CTL6) of any selected rails
    • Four GPO pins configurable to Power Good of any selected rails
    • Open-drain interrupt output pin
  • I2C Interface supports standard mode (100kHz), fast mode (400kHz), and fast mode plus (1MHz)

Applications

  • Programmable logic controller
  • Machine vision camera
  • Video surveillance
  • Test and measurement
  • Embedded PCs
  • Motion control

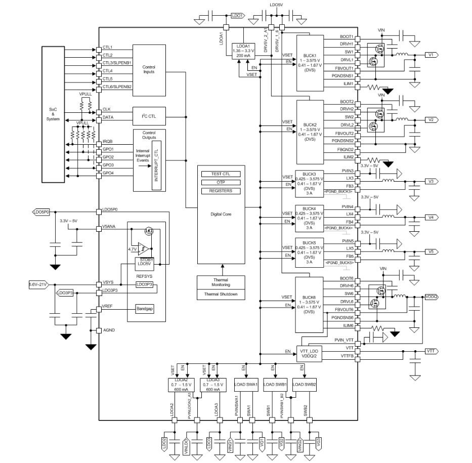
Block Diagram

Block Diagram - Texas Instruments TPS650861 Configurable Multi-Rail PMICs
Publicado: 2018-08-24 | Actualizado: 2023-04-03