Texas Instruments TLC694x Constant-Current LED Drivers

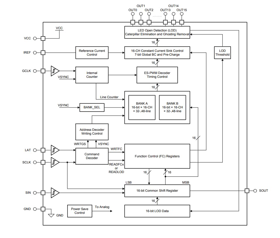
Texas Instruments TLC694x Constant-Current LED Drivers offer high multiplexing, PWM resolution, and refresh rates. The TLC694x LED Drivers feature 16 channels, each individually adjustable to 65,536 steps of PWM grayscale control. A single external resistor sets the maximum constant-current value of all 16 channels, using 128 steps of global brightness control from 0.3mA to 25mA.

The Texas Instruments TLC694x device integrates enhanced circuits to solve the various display issues in fine-pitch LED display applications. These issues include low-grayscale uniformity, coupling, ghosting, and caterpillar issues. Additionally, the device features an LED-open detection function, with the results able to be read via a serial data interface port. Higher system reliability is ensured by utilizing the thermal shutdown and IREF resistor short protection. The smart power-save mode sets the total current consumption to 1mA (typical) when all outputs are off.

Features

  • Power supply voltage ranges
    • 3V to 5.5V VCC voltage range 
    • Up to VCC + 0.3V VLED voltage range 
  • 16 constant-current-sink channels
    • 0.3mA to 25mA (3V ≤ VCC ≤ 5.5V)
    • Channel current deviation: ±1% (typical)
    • Device current deviation: ±1% (typical)
    • Low knee voltage: 0.3V (typical) at 10mA
  • 7-bit (128 steps) global Brightness Control (BC)
  • 16-bit (65,536 steps) enhanced spectrum PWM grayscale control
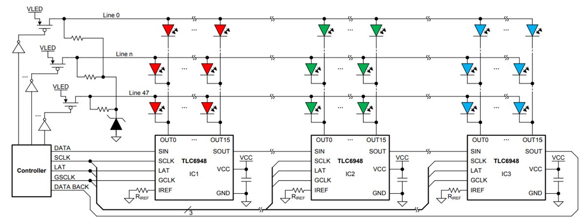
  • Built-in memory supports 32 multiplexing for TLC6946 and 48 multiplexing for TLC6948
  • LED display performance enhancement
    • Low-grayscale uniformity improvement
    • Low-grayscale coupling issue elimination
    • Ghosting removal and caterpillar elimination
  • High-speed serial-data interface
    • Data-shift clock: 33MHz (maximum)
    • Grayscale control clock: 33MHz (maximum)
    • Supports dual-edge grayscale control
  • Diagnostics and protection
    • LED-Open Detection (LOD)
    • IREF Resistor Short Protection (ISP)
    • Thermal Shutdown (TSD)
  • Smart power-save mode

Applications

  • Mono-color, multi-color, full-color LED displays
  • High-refresh rate LED video displays
  • High-density, fine-pitch LED matrix displays

Block Diagram

Block Diagram - Texas Instruments TLC694x Constant-Current LED Drivers

Typical Application Schematic 48-Multiplexing

Schematic - Texas Instruments TLC694x Constant-Current LED Drivers
Publicado: 2019-02-20 | Actualizado: 2023-07-19