Texas Instruments PFCLLCSREVM034 AC to Isolated DC Evaluation Module

Texas Instruments PFCLLCSREVM034 AC to Isolated DC Evaluation Module (EVM) evaluates the UCC28056B, UCC25604, and UCC24624 devices. The evaluation module is a 168W AC/DC supply with a transition-mode power-factor correction front end and isolated half-bridge LLC resonant converter with synchronous rectification. The Texas Instruments PFCLLCSREVM034 accepts AC input from 90Vrms to 264Vrms and outputs 12VDC with 168W full-load output power.

Features

  • Low-cost single-layer PCB
  • AC Input voltage from 90Vrms to 264Vrms
  • Regulated 12VDC typical output
  • Full-load power of 168W, or full-load current of 14A
  • Optimized low-power features enable extremely low-standby power
  • High efficiency
  • Advanced burst mode with burst soft-on and soft-off for minimized audible noise
  • X-capacitor discharge
  • Test points to facilitate device and topology evaluation

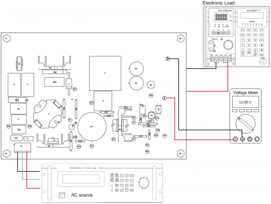
Required Equipment

  • AC Voltage Source
    • Capable of single-phase output AC voltage 85 to 265VAC, 47 to 63Hz, adjustable, with minimum power rating 100W and current limit function
    • The AC voltage source to be used should meet the IEC 60950 reinforced insulation requirement
  • DC Digital Multimeter
    • One unit capable of 0VDC to 450VDC input range, four-digit display preferred
    • One unit capable of 0VDC to 20VDC input range, four-digit display preferred
  • Output Load
    • DC load capable of receiving 0VDC to 20VDC, 0A to 14A, and 0W to 300W or greater, with the capability to display information such as load current and load power
  • Oscilloscope
    • Capable of 500MHz full bandwidth, digital or analog (if digital, 5Gsps, or better)
  • Fan
    • 200 to 400LFM forced air cooling is recommended but not required
  • Recommended Wire Gauge
    • Capable of 25A, or better than #14 AWG, with the total length of the wire to be less than 8 feet (4 feet input and 4 feet return)

Applications

  • Industrial AC-DC adapters
  • Power tools
  • Medical power supply
  • Multi-functional printer
  • Enterprise and cinema projector
  • PC power supply
  • Gaming console power supply

Test Setup

Mechanical Drawing - Texas Instruments PFCLLCSREVM034 AC to Isolated DC Evaluation Module
Publicado: 2020-08-24 | Actualizado: 2024-08-16