TDK-Lambda i6AN 75W Non-Isolated DC-DC Buck Converters
TDK-Lambda i6AN 75W Non-Isolated DC-DC Buck Converters feature a negative output and are designed to be used in a wide range of applications. The 1/6th brick, 9V to 40V input converters deliver an output voltage that can be adjustable from -3.3V to -30V with output currents of up to 8A. The i6AN converters can be used in conjunction with a single output 12V, 24V, or 36V AC-DC power supply to generate additional regulated high current outputs, with or without battery back-up. Applications include medical, communications, industrial, and test/measurement equipment.Features
- Up to 75W in a 1/16th brick pin-out
- Efficiency up to 94%
- Wide -3.3V to -30V output adjustment range
- Wide 9V to 40V input range
- Overcurrent and over-temperature protection
- Negative or positive on/off logic depending on model
- Minimal external components needed
- Constant switching frequency
- Convection or forced air cooling
- 3-year warranty
Applications
- Medical
- Communication
- COTS
- Broadcast
- Test and measurement
- General industrial
- Robotics
Specifications
- Input
- 9VDC to 40VDC range
- 15A maximum current
- 8VDC turn-on
- 7VDC to 9VDC turn-off range
- 90% to 94% efficiency
- Temperature ranges
- -40°C to +125°C operating
- -55°C to +125°C storage
- 5% to 95% relative humidity, non-condensing
- Output
- ±4% voltage tolerance
- 0.5% line regulation
- 0.6% load regulation
- 200µF to 1600µF external load capacitance range
- 20mVp-p ripple and noise
- 400kHz switching frequency
- 15A typical overcurrent protection threshold
- 33.0mm x 22.9mm x 12.1mm in dimension (LxWxH)
- >10M hours MTBF at 100% load
Videos
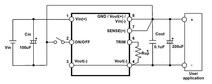
Typical Application Circuit
Publicado: 2016-05-18
| Actualizado: 2022-03-11
