onsemi NFAQ0560R43T Intelligent Power Module (IPM)
onsemi NFAQ0560R43T Intelligent Power Module (IPM) is a fully integrated inverter power stage consisting of a high-voltage driver and a thermistor. This power module consists of six IGBTs (FS4 RC IGBT technology) suitable for driving Permanent Magnet Synchronous Motors (PMSM), Brushless-DC (BLDC) motors, and AC asynchronous motors. The IGBTs of the power module are configured in a 3-phase bridge with separate emitter connections for the lower legs for maximum flexibility. This power module features protection functions for the power stage that includes cross-conduction protection, external shutdown, and under-voltage lockout functions. The NFAQ0560R43T power module offers integrated bootstrap diodes and resistors, a thermistor for substrate temperature measurement, and a shutdown pin. This power module offers 450V of supply voltage, 600V of collector-emitter voltage, and -40ºC to 125ºC of the storage temperature range. The NFAQ0560R43T power module is ideally used in industrial pumps, industrial fans, industrial automation, and home appliances.Features
- Three-phase 5A/600V IGBT module with integrated drivers
- Compact 29.6mm x 18.2mm dual inline package
- Built-in under-voltage protection
- Cross conduction protection
- ITRIP input to shut down all IGBTs
- Integrated bootstrap diodes and resistors
- Thermistor for substrate temperature measurement
- Shut down pin
- UL1557 certification
Specifications
- 450V of supply voltage
- 600V of collector-emitter voltage
- 150ºC of operating junction temperature range
- -40ºC to 125ºC of the storage temperature range
Applications
- Industrial pumps
- Industrial fans
- Industrial automation
- Home appliances
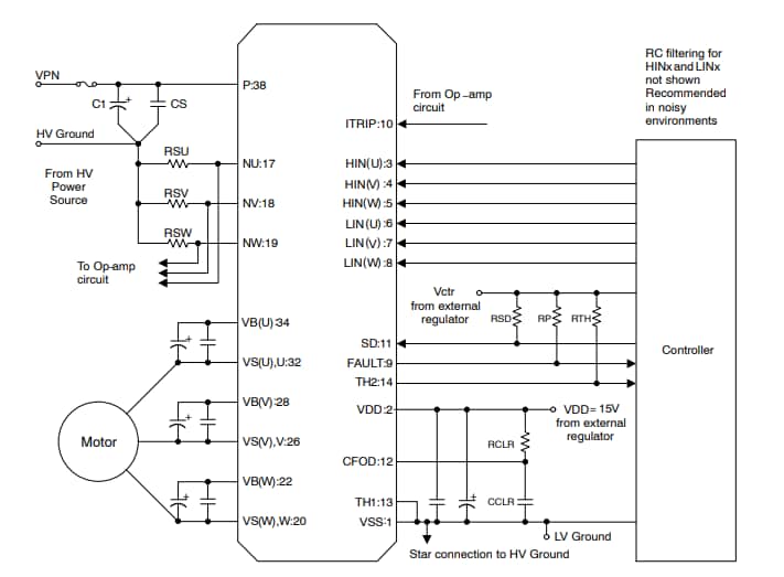
Block Diagram
Schematic Diagram
Publicado: 2022-04-07
| Actualizado: 2022-04-12
