Términos internacionales de comercio (Incoterms):DDP Todos los precios incluyen los costos de aranceles y aduana para los métodos de envío seleccionados.
Confirme su elección de moneda:
Dólares estadounidenses Envío sin cargo para la mayoría de los pedidos superiores a $100 (USD)
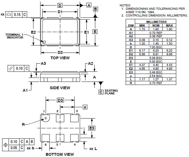
ON Semiconductor PureEdge™ VCXO is a voltage−controlled crystal oscillator designed to meet today's requirements for 3.3V LVPECL clock generation applications. ON Semiconductor PureEdge™ VCXOs use a high Q fundamental mode crystal and Phase Locked Loop (PLL) multiplier to provide a wide range of frequencies from 60MHz to 700MHz (factory configurable per user specifications with a pullable range of ±100ppm and a frequency stability of ±50ppm). The silicon−based PureEdge™ product design provides users with exceptional frequency stability and reliability. They produce an ultra low jitter and phase noise LVPECL differential output. The devices are members of ON Semiconductor's PureEdge™ clock family that provides accurate and precision clock generation solutions. They are available in the QSOP-20, 150mil and 5mm x 7mm SMD (CLCC) packages.
Features
LVPECL differential output
Control voltage with positive slope
Uses high Q fundamental mode crystal
Hermetically sealed ceramic SMD package
Pb-free and RoHS compliant
Specifications
Operating range: 2.5V ±5%, 3.3V ±10%
Ultra low jitter and phase noise: -0.5ps (12kHz - 20MHz)