Nexperia LFPAK P-Channel Trench MOSFETs
Nexperia LFPAK P-Channel Trench MOSFETs are designed and qualified to AEC-Q101 standards for use in high-performance automotive applications. These MOSFETs feature high thermal power dissipation capability. The P-channel MOSFETs are available in an LFPAK56 (Power SO8) surface-mount device (SMD) plastic package. These Nexperia MOSFETs are suitable for thermally demanding environments due to the 175°C rating. Typical applications include reverse battery protection, power management, high-side load switch, and motor drive.Features
- High thermal power dissipation capability
- +175°C rating for thermally demanding environments
- Trench MOSFET technology
- AEC-Q101 qualified
- LFPAK56 (Power SO8) SMD plastic package
Applications
- Reverse battery protection
- Power management
- High-side load switch
- Motor drive
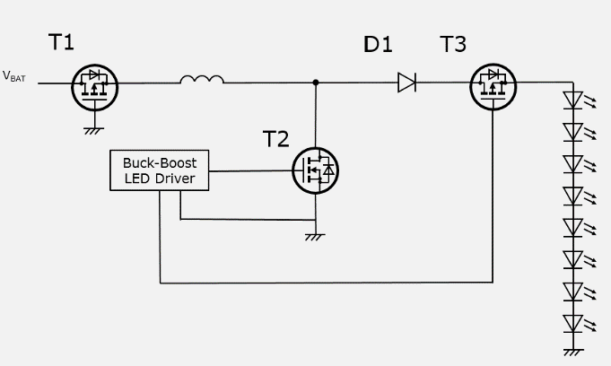
Application Circuit Diagram
LFPAK56 Footprint Overview
Videos
Additional Resource
View Results ( 8 ) Page
| N.º de artículo | Hoja de datos | Vds - Tensión disruptiva entre drenaje y fuente | Id - Corriente de drenaje continua | Rds On - Resistencia entre drenaje y fuente | Qg - Carga de puerta | Dp - Disipación de potencia |
|---|---|---|---|---|---|---|
| PSMP033-60YEX | ![]() |
60 V | 30 A | 33 mOhms | 46 nC | 110 W |
| BUK6Y10-30PX | ![]() |
30 V | 80 A | 10 mOhms | 42.5 nC | 110 W |
| BUK6Y14-40PX | ![]() |
40 V | 64 A | 14 mOhms | 42.7 nC | 110 W |
| BUK6Y19-30PX | ![]() |
30 V | 45 A | 19 mOhms | 23 nC | 66 W |
| BUK6Y24-40PX | ![]() |
40 V | 39 A | 24 mOhms | 23 nC | 66 W |
| BUK6Y33-60PX | ![]() |
60 V | 30 A | 33 mOhms | 46 nC | 110 W |
| BUK6Y61-60PX | ![]() |
60 V | 25 A | 61 mOhms | 20 nC | 66 W |
| PSMP061-60YEX | ![]() |
60 V | 25 A | 61 mOhms | 20 nC | 66 W |
Publicado: 2020-05-21
| Actualizado: 2024-05-03

