Monolithic Power Systems (MPS) EVHF920-S-00B Evaluation Board

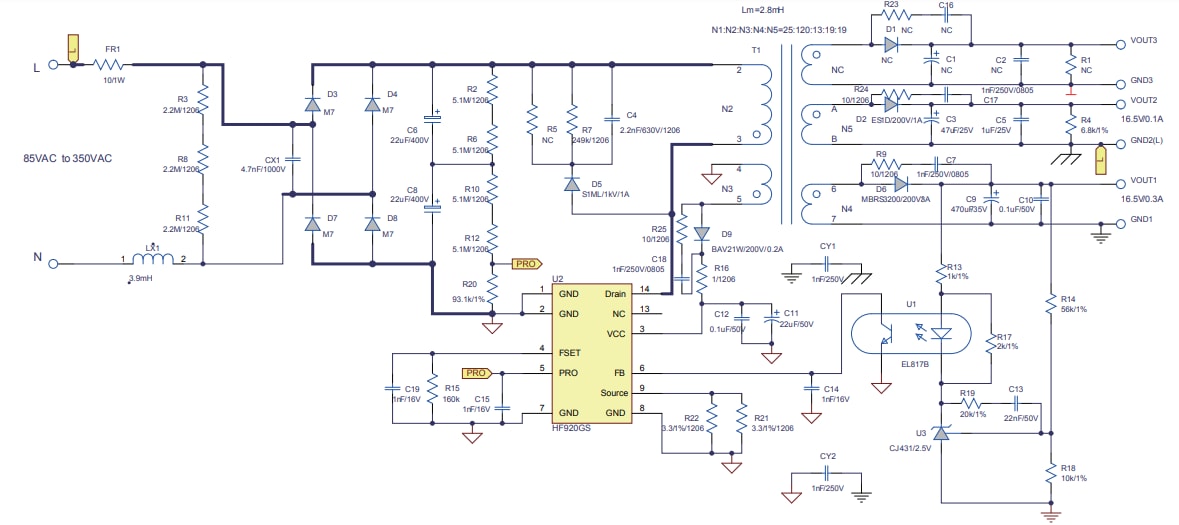
Monolithic Power Systems (MPS) EVHF920-S-00B Evaluation Board is designed for a better Electromagnetic Compatibility (EMC) performance with few EMI filters that provides a reference to effective PCB design. The EVHF920-S-00B evaluation board evaluates HF920 flyback regulators that are fixed-frequency offline regulators with an ultra-low standby power consumption. These HF920 flyback regulators provide excellent power regulation with the help of monolithic 900V/15Ω MOSFET and a high voltage current source. The EVHF920-S-00B evaluation board operates off-line from 85VAC to 350VAC wide input voltage range with 16.5V/300mA and 16.5V/100mA dual outputs.

The EVHF920-S-00B evaluation board features time-based Over Load Protection (OLP), a highly strong anti-interference ability to an external magnetic field, and frequency doubling operation mode. This evaluation board meets EN55022 conducted EMI requirements easily with frequency jittering function. Typical applications include E-meters, industrial controls, and large appliances.

Features

  • Fixed switching frequency, programmable up to 150kHz
  • Frequency doubling operation mode
  • Excellent EMC performance
  • Over Temperature Protection (OTP)
  • Time-based Over Load Protection (OLP)
  • Short Circuit Protection (SCP)
  • Strong anti-interference ability to an external magnetic field
  • Power line communications

Specifications

  • 85VAC to 350VAC wide input voltage range
  • 16.5V output voltage
  • 100mA and 300mA output currents
  • 65mm x 47mm x 22mm dimensions

Applications

  • E-Meters
  • Industrial controls
  • Large appliances

Schematic Diagram

Schematic - Monolithic Power Systems (MPS) EVHF920-S-00B Evaluation Board
Publicado: 2021-05-10 | Actualizado: 2022-03-11