The Infineon 4500V IGBT Modules offer unbeatable robustness and enable 1.4 GW HVDC plants at 320kV without paralleling. In addition, the Modules standardized housing simplifies design and maintenance.
Features
- Low static losses
- High dynamic robustness
- High short circuit capability, self-limiting short circuit current
- Low VCEsat with positive temperature coefficient
- Gate emitter voltage of 25V
Applications
- High voltage direct current (HVDC)
- Motor control and drives
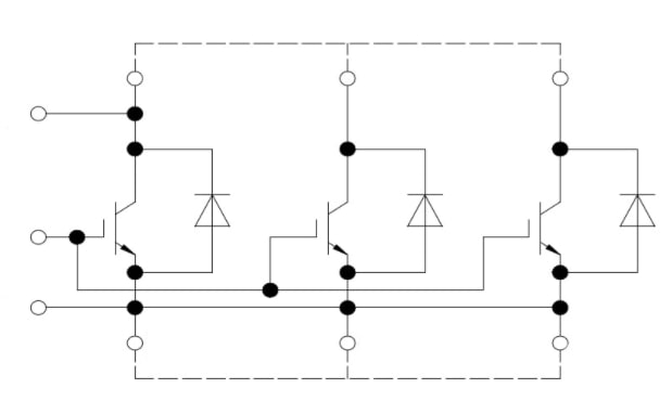
Circuit Diagram
Publicado: 2021-06-11
| Actualizado: 2022-03-11

