Diodes Incorporated AP3304 Multi-Mode PWM Controller
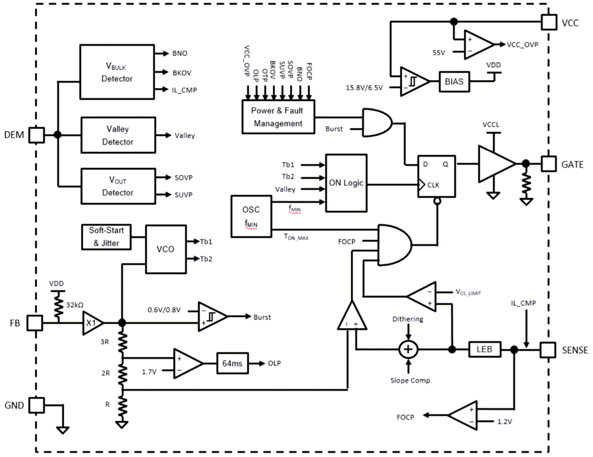
Diodes Incorporated AP3304 Multi-Mode PWM Controller is optimized for high-performance, low standby power, and cost-effective offline flyback converters. This PWM controller features peak-current control, multi-mode control with CCM+QR, a low start-up current of 1μA, and a soft start during the start-up process. The AP3304 PWM controller at light load operates in burst mode with a 23kHz switching frequency to minimize standby power consumption and avoid audible noise. When the load increases, the AP3304 PWM controller will enter QR mode with frequency fold-back to improve system efficiency and EMI performance. The AP3304 multi-mode PWM controller offers a built-in frequency dithering function to reduce EMI emission. Typical applications include switching AC-DC adapter charger, ATX/BTX auxiliary power, Set-Top Box (STB) power supply, and open frame switching power supply.Features
- Very low start-up current
- Multi-mode control with CCM+QR
- Soft start during the start-up process
- Frequency fold back for high average efficiency
- Constant Over Current Protection (OCP)
- Secondary winding short protection with FOCP
- Built-in frequency dithering function to reduce EMI emission
- Useful pin fault protection:
- SENSE pin floating
- FB/Opto-coupler open/short
- Comprehensive system protection feature:
- VCC Over Voltage Protection (VOVP)
- Over Load Protection (OLP)
- Brown Out Protection (BNO)
- Secondary Side OVP (SOVP) and UVP (SUVP)
- Mini size package of SOT26 (Type A1)
- Lead-free and fully RoHS compliant
- Halogen and antimony free - “Green” device
Applications
- Switching AC-DC adapter/charger
- ATX/BTX auxiliary power
- Set-Top Box (STB) power supply
- Open frame switching power supply
Typical Application Circuit
Block Diagram
Publicado: 2021-11-04
| Actualizado: 2022-03-11
