Analog Devices Inc. ADP5014 Integrated Power Solution
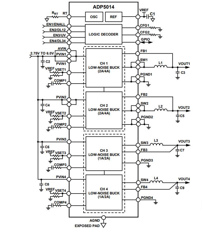
Analog Devices Inc. ADP5014 Integrated Power Solution incorporates four high-performance, low-noise buck regulators. Due to its low output noise (~25μ Vrms when VOUT ≤ VREF), the buck regulators enable the powering up of the noise-sensitive signal chain products. Each channel of the ADP5014 includes high-side and low-side power MOSFETs. Channel 1 and Channel 2 provide a programmable output current of 2A or 4A. ADP5014's Channel 3 and Channel 4 have a programmable output current of 1A or 2A. Combining Channel 1 and Channel 2 or Channel 3 and Channel 4 in parallel configuration can deliver a single output with up to 8A or 4A respectively. Designers can program or synchronize the ADP5014's switching frequency from 500kHz to 2.5MHz using an external clock. The ADP5014 from Analog Devices offers two enable modes. The manual mode has four individual precision enable pins to enable each regulator manually. Alternatively, the sequence mode has one grouped precision enable signal with programmable power-up and power-down delay timers on each rail for specific rail sequence requirements.Features
- 2.75V to 6V input voltage range
- 0.5V to 0.9 × PVINx programmable output voltage range
- ~25μVrms output noise when VOUT ≤ VREF
- ±1.0% output accuracy over full temperature range
- 500kHz to 2.5MHz adjustable switching frequency
- Power Regulation
- Channel 1 and Channel 2: programmable 2 A/4 A sync buck regulators, or single 8 A output in parallel
- Channel 3 and Channel 4: programmable 1 A/2 A sync buck regulators, or single 4 A output in parallel
- Flexible parallel operation
- Precision enable with 0.6V threshold
- Manual or sequence mode for power-up and power-down sequence
- Selective FPWM or PSM operation mode
- Precision undervoltage comparator
- Frequency synchronization input or output
- Active output discharge switch
- Power-good flag on selective channels via factory fuse
- UVLO, OVP, OCP, and TSD protection
- 40-lead, 6mm × 6mm LFCSP package
- −40°C to +125°C junction temperature
Applications
- RF transceiver, high-speed analog-to-digital converter (ADC)/digital-to-analog converter (DAC), mixed-signal ASIC
- FPGA and processors
- Security and surveillance
- Medical
Typical Application Circuit
Additional Resources
Modeling and Control for a Current-Mode Buck Converter with a Secondary LC Filter
Modern signal processing system design utilizing ADCs, PLLs, and RF transceivers demands lower power consumption and higher system performance. Selecting proper power supplies for those noise sensitive devices is always the pain point for system designers. There is always a trade-off between high efficiency and high performance.
Publicado: 2017-10-31
| Actualizado: 2022-04-28
